Beacon Machine June 2000












Beacon in Fukushima city at 24.986
'VVV DE JE7YNQ JE7YNQ JE7YNQ FUKUSHIMA CITY QM07'

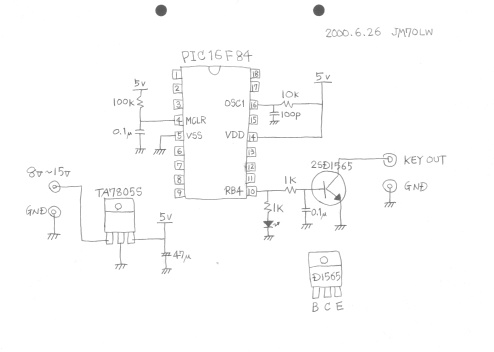
make it with Microchip Technology Inc. PIC16F84
Program Source
Return to Home Page