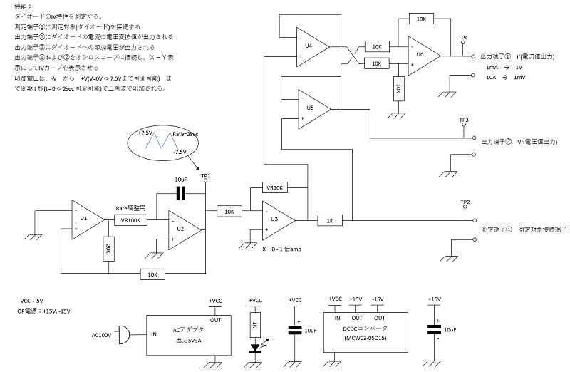
Curve Tracer July 6th 2017








op amp is JRC4580













keysight DSOX1204G











Vf character between B-E of 2SC1815




end



Return to home page